PRODUCT

PRODUCT

57BLDC Series

Option:
  • FL57STD

    encoder

  • FL57STD

    驱动器

  • FL57STD

    reducer

  • FL57STD

    connector

  • FL57STD

    brake

  • FL57STD

    motor

  • Parameter
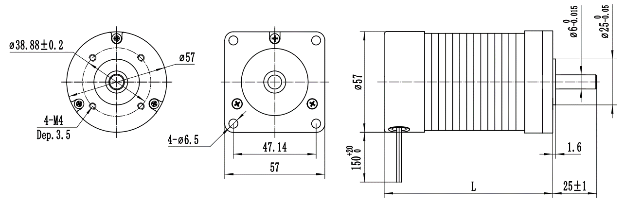
  • Overall Dimensions
电机性能(Specifications)


单位(Unit)PZ57BLDC01PZ57BLDC02PZ57BLDC03
级数(Number of poles)4
相数(Number of phases)3
额定电压(Rated voltage)VDC

36

额定转矩(Rated torque)N.m0.110.220.32
额定速度(Rated speed)RPM400040004000
额定功率(Rated power)W4699138
峰值转矩(Peak torque)N.m0.390.680.98
峰值电流(Peak current)A6.51216
线电阻(line to line   resistance)ohms@20℃1.630.640.45
线电感(line to line   inductance)mH4.421.5
转矩常数(Torque   constant)N.m/A0.06070.06010.0648
反电势(Back EMF)Vrms/KPPM4.54.454.8
转动惯量(Rotor inertia)Kg.mm²7.511.917.3
机身长度(Motor length)L557595
重量(Weight)Kg0.440.720.95
绝缘等级(Insulation class)Class  F
环境温度(Ambient   Temperature)-20℃ ~ +50℃
绝缘电阻(Insulation    resistance)100MΩ,500VDC
介电强度(Dielectric   strength)600VAC/1S

此电机可以根据客户要求定制  The motor can be designed&manufactured   with customized request.


dimensions

image44.png

Copyright 2023 Copyright CHANGZHOU TOP EDGE MOTOR CO.,LTD. 非商用版本