PRODUCT

PRODUCT

60PL Series

Option:
  • FL57STD

    motor

  • Parameter
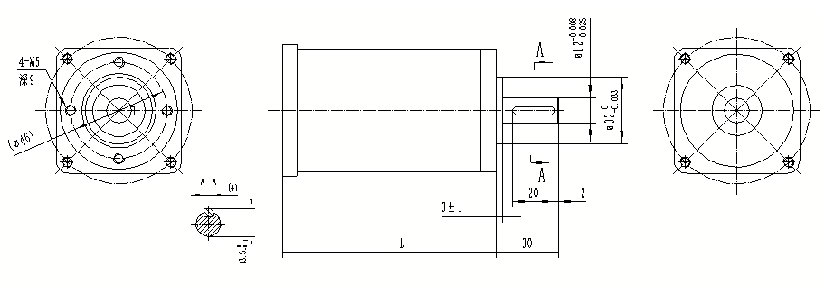
  • Overall Dimensions
减速机性能(Specifications)


1 stage2 stages3 stages4 stages
材质(Material)Metal Material 
最大输出转矩(Permitted   output torque)4Nm20Nm40Nm60Nm
最大径向力(Max.radial   load)200350480620
最大轴向力(Max.axial   load)4565110180
效率(Efficiency)0.90.80.70.55
重量(Weight)0.5Kg0.9Kg1.3Kg1.7Kg
长度(L)60mm75mm90mm100mm
减速比(Ratio)3.9:115.4:160.37:1236.87:1

4.8:118.8:173.87:1270.47:1

6.4:123.04:190.38:1388.15:1


41.32:1121.05:1530.84:1



148.11:1581.06:1



162.12:1710.95:1



198.37:1778.21:1



265.67:1952.16:1




1042.25:1




1707.88:1
防护等级(IP)IP66

此减速机可以根据客户要求定制  The Reducer can be   designed&manufactured with customized request.


dimensions

image81.png

Copyright 2023 Copyright CHANGZHOU TOP EDGE MOTOR CO.,LTD. 非商用版本