PRODUCT

PRODUCT

80ZYT Series

Option:
  • FL57STD

    encoder

  • FL57STD

    reducer

  • FL57STD

    connector

  • FL57STD

    brake

  • Parameter
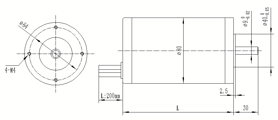
  • Overall Dimensions
电机性能(Specifications)


单位(Unit)PZ80ZYTDC01PZ80ZYTDC02PZ80ZYTDC03
额定电压(Rated voltage)VDC

24

空载转矩(Moload speed)RPM340034003400
额定速度(Rated speed)RPM270027002700
额定转矩(Rated torque)N.m0.50.821.1
额定电流(Rated speed)A8.21316.8
额定功率(Rated power)W141232311
峰值转矩(Peak torque)N.m11.62
峰值电流(Peak current)A162530
转矩常数(Torque   constant)N.m/A0.0640.0640.064
反电势(Back EMF)Vrms/KPPM6.916.916.91
转动惯量(Rotor inertia)Kg.mm²265390580
机身长度(Motor length)L130150170
重量(Weight)Kg1.72.12.4
绝缘等级(Insulation class)Class  F
环境温度(Ambient   Temperature)-20℃ ~ +50℃
绝缘电阻(Insulation    resistance)100MΩ,500VDC
介电强度(Dielectric   strength)600VAC/1S

此电机可以根据客户要求定制  The motor can be designed&manufactured   with customized request.


dimensions

image94.png

Copyright 2023 Copyright CHANGZHOU TOP EDGE MOTOR CO.,LTD. 非商用版本