PRODUCT

PRODUCT

62ZYT Series

Option:
  • FL57STD

    encoder

  • FL57STD

    reducer

  • FL57STD

    connector

  • FL57STD

    brake

  • Parameter
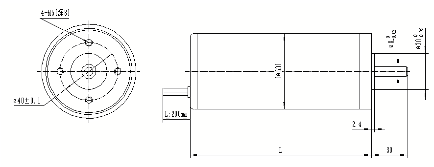
  • Overall Dimensions
电机性能(Specifications)


单位(Unit)PZ62ZYTDC01PZ62ZYTDC02PZ62ZYTDC03
额定电压(Rated voltage)VDC

24

空载转矩(Moload speed)RPM400040004000
额定速度(Rated speed)RPM360036003600
额定转矩(Rated torque)N.m0.20.250.35
额定电流(Rated speed)A3.854.86.7
额定功率(Rated power)W7594132
峰值转矩(Peak torque)N.m0.40.50.7
峰值电流(Peak current)A1.92.41.3
转矩常数(Torque   constant)N.m/A0.05670.05670.0567
反电势(Back EMF)Vrms/KPPM5.945.945.94
转动惯量(Rotor inertia)Kg.mm²486072
机身长度(Motor length)L100110120
重量(Weight)Kg11.42
绝缘等级(Insulation class)Class  F
环境温度(Ambient   Temperature)-20℃ ~ +50℃
绝缘电阻(Insulation    resistance)100MΩ,500VDC
介电强度(Dielectric   strength)600VAC/1S

此电机可以根据客户要求定制  The motor can be designed&manufactured   with customized request.


dimensions

image90.png

Copyright 2023 Copyright CHANGZHOU TOP EDGE MOTOR CO.,LTD. 非商用版本