PRODUCT

PRODUCT

62BLDC Series

Option:
  • FL57STD

    encoder

  • FL57STD

    驱动器

  • FL57STD

    reducer

  • FL57STD

    connector

  • FL57STD

    brake

  • FL57STD

    motor

  • Parameter
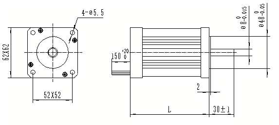
  • Overall Dimensions
电机性能(Specifications)


单位(Unit)PZ62BLDC01PZ62BLDC02PZ62BLDC03
级数(Number of poles)8
相数(Number of phases)3
额定电压(Rated voltage)VDC

36

额定转矩(Rated torque)N.m0.220.40.65
额定速度(Rated speed)RPM320030003000
额定功率(Rated power)W4692134
峰值转矩(Peak torque)N.m0.661.11.8
峰值电流(Peak current)A11.517.832
线电阻(line to line   resistance)ohms@20℃0.570.240.13
转矩常数(Torque   constant)N.m/A0.0620.0650.061
反电势(Back EMF)Vrms/KPPM4.34.64.53
转动惯量(Rotor inertia)Kg.mm²1937.555.8
机身长度(Motor length)L6484104
重量(Weight)Kg0.91.31.8
绝缘等级(Insulation   class)Class  F
环境温度(Ambient Temperature)-20℃ ~ +50℃
绝缘电阻(Insulation  resistance)100MΩ,500VDC
介电强度(Dielectric strength)600VAC/1S


dimensions

image50.png

Copyright 2023 Copyright CHANGZHOU TOP EDGE MOTOR CO.,LTD. 非商用版本