PRODUCT

PRODUCT

60BLP Series

Option:
  • FL57STD

    encoder

  • FL57STD

    驱动器

  • FL57STD

    connector

  • FL57STD

    brake

  • FL57STD

    motor

  • Parameter
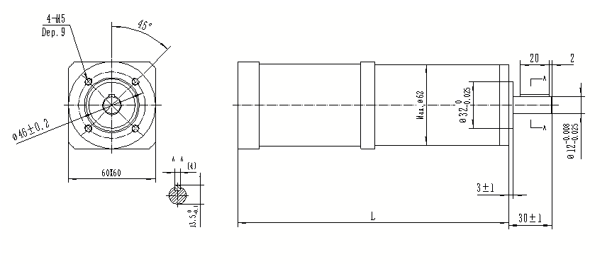
  • Overall Dimensions
减速电机性能(Specifications)


单位(Unit)PZ60BLP01P60BLP02PZ60BLP03
额定电压(Rated voltage)VDC

24

空载转速(Moload speed)RPM75283.7
额定速度(Rated speed)RPM6223.83
额定转矩(Rated torque)N.m1140100
额定电流(Rated speed)A5.58.53.6
额定功率(Rated power)W71.499.731.4
峰值转矩(Peak torque)N.m2060200
峰值电流(Peak current)A9.5137
减速比 (Ratio)N.m/A41.2773.87782.4
机身长度(Motor length)L200250270
重量(Weight)Kg344.5
绝缘等级(Insulation class)Class  F
环境温度(Ambient   Temperature)-30℃ ~ +70℃
绝缘电阻(Insulation    resistance)100MΩ,500VDC
工作制(Duty)S3(15min/5min)
介电强度(Dielectric strength)600VAC/1S
噪音(Noise)dB≤70≤65≤65
防护等级(IP)IP66

此电机可以根据客户要求定制  The motor can be designed&manufactured   with customized request.


dimensions

image76.png

Copyright 2023 Copyright CHANGZHOU TOP EDGE MOTOR CO.,LTD. 非商用版本