| 电机性能(Specifications) |
|
| 单位(Unit) | PZ42OBLDC01 | PZ42OBLDC02 | PZ42OBLDC03 |
| 级数(Number of poles) | 16 |
| 相数(Number of phases) | 3 |
| 额定电压(Rated voltage) | VDC |
|
| 24 |
|
|
| 额定转矩(Rated torque) | N.m | 0.05 | 0.084 | 0.13 |
| 额定速度(Rated speed) | RPM | 5000 | 5260 | 4840 |
| 额定功率(Rated power) | W | 30 | 50 | 70 |
| 峰值转矩(Peak torque) | N.m | 0.08 | 0.15 | 0.23 |
| 峰值电流(Peak current) | A | 4.3 | 7.4 | 11 |
| 线电阻(line to line resistance) | ohms@20℃ | 1.42 | 0.72 | 0.56 |
| 线电感(line to line inductance) | mH | 0.59 | 0.33 | 0.27 |
| 转矩常数(Torque constant) | N.m/A | 0.0352 | 0.0344 | 0.0371 |
| 反电势(Back EMF) | Vrms/KPPM | 2.61 | 2.55 | 2.75 |
| 转动惯量(Rotor inertia) | Kg.mm² | 0.1 | 0.135 | 0.18 |
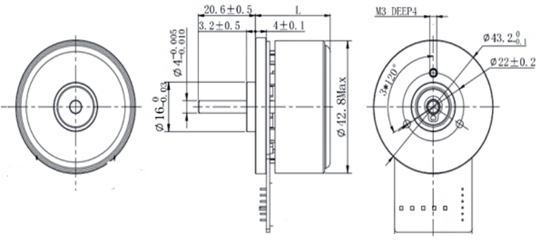
| 机身长度(Motor length) | L | 18 | 22 | 27 |
| 重量(Weight) | Kg | 0.08 | 0.12 | 0.15 |
| 绝缘等级(Insulation class) | Class F |
| 环境温度(Ambient Temperature) | -20℃ ~ +50℃ |
| 绝缘电阻(Insulation resistance) | 100MΩ,500VDC |
| 介电强度(Dielectric strength) | 600VAC/1S |
|
| 此电机可以根据客户要求定制 The motor can be designed&manufactured with customized request. |