| 减速机性能(Specifications) | ||||||||
| 1 stage | 2 stages | 3 stages | 4 stages | |||||
| 材质(Material) | Metal Material | |||||||
| 最大输出转矩(Permitted output torque) | 4Nm | 20Nm | 40Nm | 60Nm | ||||
| 最大径向力(Max.radial load) | 200 | 350 | 480 | 620 | ||||
| 最大轴向力(Max.axial load) | 45 | 65 | 110 | 180 | ||||
| 效率(Efficiency) | 0.9 | 0.8 | 0.7 | 0.55 | ||||
| 重量(Weight) | 0.5Kg | 0.9Kg | 1.3Kg | 1.7Kg | ||||
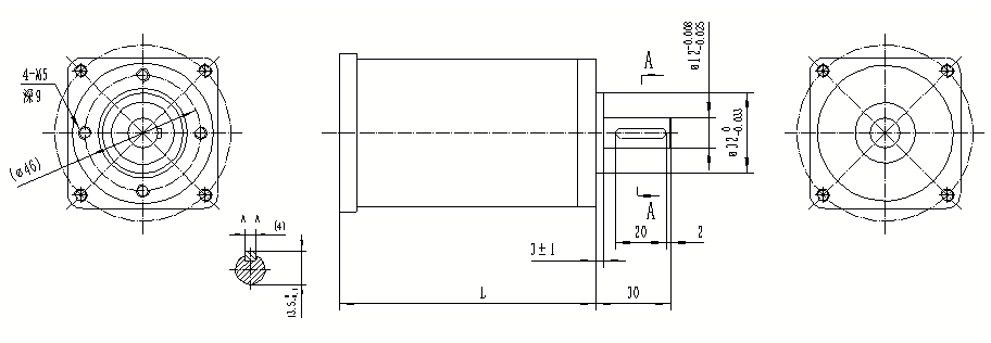
| 长度(L) | 60mm | 75mm | 90mm | 100mm | ||||
| 减速比(Ratio) | 3.9:1 | 15.4:1 | 60.37:1 | 236.87:1 | ||||
| 4.8:1 | 18.8:1 | 73.87:1 | 270.47:1 | |||||
| 6.4:1 | 23.04:1 | 90.38:1 | 388.15:1 | |||||
| 41.32:1 | 121.05:1 | 530.84:1 | ||||||
| 148.11:1 | 581.06:1 | |||||||
| 162.12:1 | 710.95:1 | |||||||
| 198.37:1 | 778.21:1 | |||||||
| 265.67:1 | 952.16:1 | |||||||
| 1042.25:1 | ||||||||
| 1707.88:1 | ||||||||
| 防护等级(IP) | IP66 | |||||||
| 此减速机可以根据客户要求定制 The Reducer can be designed&manufactured with customized request. | ||||||||
