⬛ 失电制动,断电保护电机及设备安全;
⬛ 完全实现高速零损耗静音运行,超长寿命表现;
⬛ 使用中无需调整间隙任意角度实现均衡制动;
⬛ 外形可订制,可与电机紧密配成一体;
⬛ 反应时间是普通弹簧压紧电磁制动器的1/10,仅45ms;
⬛ 功率小,温升低;
⬛ 大温度范围内提供稳定的制动扭矩;
⬛ 适合于高精度定位应用的步进电机、无刷电机、伺服电机。
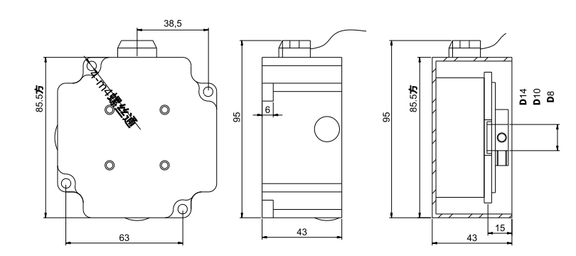
| 配86系列刹车参数 | ||||||||
| 制动器参数 | 电压 | 制动力矩 | 功率 | 轴径 | ||||
| DC24V | 5.5/7.5N.m | 6/8.5W | 8/10/14mm | |||||
| 适配电机 | 外径为86mm的步进、无刷、伺服电机 | |||||||
| 此刹车可以根据客户要求定制 The brake can be designed&manufactured with customized request. | ||||||||
