| 电机性能(Specifications) |
|
| 单位(Unit) | PZ62ZYTDC01 | PZ62ZYTDC02 | PZ62ZYTDC03 |
| 额定电压(Rated voltage) | VDC |
|
| 24 |
|
|
| 空载转矩(Moload speed) | RPM | 4000 | 4000 | 4000 |
| 额定速度(Rated speed) | RPM | 3600 | 3600 | 3600 |
| 额定转矩(Rated torque) | N.m | 0.2 | 0.25 | 0.35 |
| 额定电流(Rated speed) | A | 3.85 | 4.8 | 6.7 |
| 额定功率(Rated power) | W | 75 | 94 | 132 |
| 峰值转矩(Peak torque) | N.m | 0.4 | 0.5 | 0.7 |
| 峰值电流(Peak current) | A | 1.9 | 2.4 | 1.3 |
| 转矩常数(Torque constant) | N.m/A | 0.0567 | 0.0567 | 0.0567 |
| 反电势(Back EMF) | Vrms/KPPM | 5.94 | 5.94 | 5.94 |
| 转动惯量(Rotor inertia) | Kg.mm² | 48 | 60 | 72 |
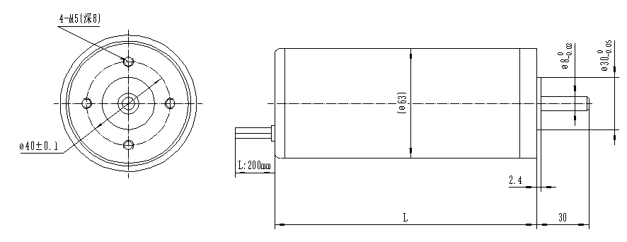
| 机身长度(Motor length) | L | 100 | 110 | 120 |
| 重量(Weight) | Kg | 1 | 1.4 | 2 |
| 绝缘等级(Insulation class) | Class F |
| 环境温度(Ambient Temperature) | -20℃ ~ +50℃ |
| 绝缘电阻(Insulation resistance) | 100MΩ,500VDC |
| 介电强度(Dielectric strength) | 600VAC/1S |
|
| 此电机可以根据客户要求定制 The motor can be designed&manufactured with customized request. |