PRODUCT

产品中心

60BLDC Series

选件:
  • FL57STD

    编码器

  • FL57STD

    驱动器

  • FL57STD

    减速器

  • FL57STD

    连接器

  • FL57STD

    刹车

  • FL57STD

    电机

  • 技术参数
  • 外形尺寸
电机性能(Specifications)


单位(Unit)PZ60BLDC01PZ60BLDC02PZ60BLDC03
级数(Number of poles)10
相数(Number of phases)3
额定电压(Rated voltage)VDC

36

额定转矩(Rated torque)N.m0.110.220.32
额定速度(Rated speed)RPM400040004000
额定功率(Rated power)W4692134
峰值转矩(Peak torque)N.m0.30.550.8
峰值电流(Peak current)A4.57.49.5
线电阻(line to line   resistance)ohms@20℃1.650.70.48
转矩常数(Torque   constant)N.m/A0.07350.07870.08
反电势(Back EMF)Vrms/KPPM4.54.824.87
转动惯量(Rotor inertia)Kg.mm²7.511.917.3
机身长度(Motor length)L6282102
重量(Weight)Kg0.50.751
绝缘等级(Insulation class)Class  F
环境温度(Ambient Temperature)-20℃ ~ +50℃
绝缘电阻(Insulation    resistance)100MΩ,500VDC
介电强度(Dielectric strength)600VAC/1S

此电机可以根据客户要求定制  The motor can be designed&manufactured   with customized request.


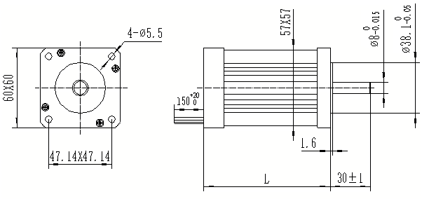
机械尺寸

image48.png

Copyright 2023 版权所有 常州普芝机电有限公司