| 电机性能(Specifications) |
|
| 单位(Unit) | PZ80ZYTDC01 | PZ80ZYTDC02 | PZ80ZYTDC03 |
| 额定电压(Rated voltage) | VDC |
|
| 24 |
|
|
| 空载转矩(Moload speed) | RPM | 3400 | 3400 | 3400 |
| 额定速度(Rated speed) | RPM | 2700 | 2700 | 2700 |
| 额定转矩(Rated torque) | N.m | 0.5 | 0.82 | 1.1 |
| 额定电流(Rated speed) | A | 8.2 | 13 | 16.8 |
| 额定功率(Rated power) | W | 141 | 232 | 311 |
| 峰值转矩(Peak torque) | N.m | 1 | 1.6 | 2 |
| 峰值电流(Peak current) | A | 16 | 25 | 30 |
| 转矩常数(Torque constant) | N.m/A | 0.064 | 0.064 | 0.064 |
| 反电势(Back EMF) | Vrms/KPPM | 6.91 | 6.91 | 6.91 |
| 转动惯量(Rotor inertia) | Kg.mm² | 265 | 390 | 580 |
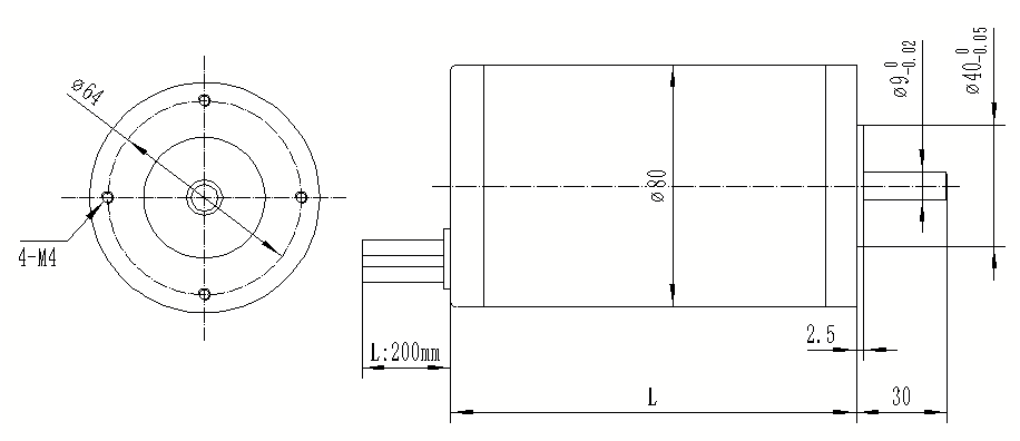
| 机身长度(Motor length) | L | 130 | 150 | 170 |
| 重量(Weight) | Kg | 1.7 | 2.1 | 2.4 |
| 绝缘等级(Insulation class) | Class F |
| 环境温度(Ambient Temperature) | -20℃ ~ +50℃ |
| 绝缘电阻(Insulation resistance) | 100MΩ,500VDC |
| 介电强度(Dielectric strength) | 600VAC/1S |
|
| 此电机可以根据客户要求定制 The motor can be designed&manufactured with customized request. |